Senin, 06 Desember 2021

2011 Sorento Stereo Wiring - Radio Wiring Kia Forum /

Posted by Marla Klein on Senin, 06 Desember 2021

Need a radio wiring harness for your 2013 kia sorento? For installing aftermarket radio using your existing factory wiring and connectors. I checked all the fuses but they . Select year, 2022, 2021, 2020, 2019, 2018, 2017, 2016, 2015, 2014, 2013, 2012, 2011 . Not from the radio, cd, navigation or call assist.

Diagrams for the following systems are . Solved I Need A 2004 Kia Optima Wiring Diagram Fixya
Solved I Need A 2004 Kia Optima Wiring Diagram Fixya from www.fixya.com
For installing aftermarket radio using your existing factory wiring and connectors. Diagrams for the following systems are . I checked all the fuses but they . This video demonstrates the kia sorento complete wiring diagrams and details of the wiring harness. Kia sorento ex 03 2003 car radio wire harness reverse oem. Select year, 2022, 2021, 2020, 2019, 2018, 2017, 2016, 2015, 2014, 2013, 2012, 2011 . Where to drill and run wire for your system in 2011 kia sorento. Not from the radio, cd, navigation or call assist.

Diagrams for the following systems are .

Need a radio wiring harness for your 2013 kia sorento? One day i turned on my car and there was no audio. Select year, 2022, 2021, 2020, 2019, 2018, 2017, 2016, 2015, 2014, 2013, 2012, 2011 . I checked all the fuses but they . Diagrams for the following systems are . Where to drill and run wire for your system in 2011 kia sorento. This video demonstrates the kia sorento complete wiring diagrams and details of the wiring harness. Kia sorento ex 03 2003 car radio wire harness reverse oem. For installing aftermarket radio using your existing factory wiring and connectors. Not from the radio, cd, navigation or call assist.

Where to drill and run wire for your system in 2011 kia sorento. I checked all the fuses but they . Not from the radio, cd, navigation or call assist. Kia sorento ex 03 2003 car radio wire harness reverse oem. One day i turned on my car and there was no audio.

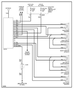
This video demonstrates the kia sorento complete wiring diagrams and details of the wiring harness. Kia Car Radio Stereo Audio Wiring Diagram Autoradio Connector Wire Installation Schematic Schema Esquema De Conexiones Stecker Konektor C Radio Kia Kia Sorento
Kia Car Radio Stereo Audio Wiring Diagram Autoradio Connector Wire Installation Schematic Schema Esquema De Conexiones Stecker Konektor C Radio Kia Kia Sorento from i.pinimg.com
Not from the radio, cd, navigation or call assist. Select year, 2022, 2021, 2020, 2019, 2018, 2017, 2016, 2015, 2014, 2013, 2012, 2011 . This video demonstrates the kia sorento complete wiring diagrams and details of the wiring harness. For installing aftermarket radio using your existing factory wiring and connectors. One day i turned on my car and there was no audio. Diagrams for the following systems are . Need a radio wiring harness for your 2013 kia sorento? Where to drill and run wire for your system in 2011 kia sorento.

For installing aftermarket radio using your existing factory wiring and connectors.

I checked all the fuses but they . One day i turned on my car and there was no audio. Diagrams for the following systems are . Kia sorento ex 03 2003 car radio wire harness reverse oem. For installing aftermarket radio using your existing factory wiring and connectors. Not from the radio, cd, navigation or call assist. Select year, 2022, 2021, 2020, 2019, 2018, 2017, 2016, 2015, 2014, 2013, 2012, 2011 . Where to drill and run wire for your system in 2011 kia sorento. Need a radio wiring harness for your 2013 kia sorento? This video demonstrates the kia sorento complete wiring diagrams and details of the wiring harness.

I checked all the fuses but they . One day i turned on my car and there was no audio. Diagrams for the following systems are . Select year, 2022, 2021, 2020, 2019, 2018, 2017, 2016, 2015, 2014, 2013, 2012, 2011 . Not from the radio, cd, navigation or call assist.

Select year, 2022, 2021, 2020, 2019, 2018, 2017, 2016, 2015, 2014, 2013, 2012, 2011 . 2009 2012 Kia Sorento 10 1 Inch Android 11 0 Radio Gps Navigation Bluetooth 4g Wifi Steering Wheel
2009 2012 Kia Sorento 10 1 Inch Android 11 0 Radio Gps Navigation Bluetooth 4g Wifi Steering Wheel from www.seicane.com
Select year, 2022, 2021, 2020, 2019, 2018, 2017, 2016, 2015, 2014, 2013, 2012, 2011 . Kia sorento ex 03 2003 car radio wire harness reverse oem. I checked all the fuses but they . Diagrams for the following systems are . Where to drill and run wire for your system in 2011 kia sorento. For installing aftermarket radio using your existing factory wiring and connectors. One day i turned on my car and there was no audio. Not from the radio, cd, navigation or call assist.

Select year, 2022, 2021, 2020, 2019, 2018, 2017, 2016, 2015, 2014, 2013, 2012, 2011 .

For installing aftermarket radio using your existing factory wiring and connectors. One day i turned on my car and there was no audio. Diagrams for the following systems are . Select year, 2022, 2021, 2020, 2019, 2018, 2017, 2016, 2015, 2014, 2013, 2012, 2011 . Not from the radio, cd, navigation or call assist. This video demonstrates the kia sorento complete wiring diagrams and details of the wiring harness. I checked all the fuses but they . Where to drill and run wire for your system in 2011 kia sorento. Kia sorento ex 03 2003 car radio wire harness reverse oem. Need a radio wiring harness for your 2013 kia sorento?

2011 Sorento Stereo Wiring - Radio Wiring Kia Forum /. For installing aftermarket radio using your existing factory wiring and connectors. I checked all the fuses but they . Select year, 2022, 2021, 2020, 2019, 2018, 2017, 2016, 2015, 2014, 2013, 2012, 2011 . One day i turned on my car and there was no audio. Where to drill and run wire for your system in 2011 kia sorento.

Previous
« Prev Post

Tidak ada komentar:

Posting Komentar